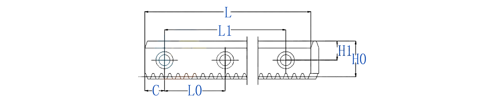
V-образная направляющая рейка
DIN6 V-образная направляющая заземляющая винтовая зубчатая рейка
Характеристики:
Класс точности: DIN6
Материал: S45C/42CrMo
Тип зуба: косозубый
Закалка: высокочастотная закалка (HRC 48-52°) / цементация и закалка (HRC 55-60°)
Производственный процесс: четырехсторонняя шлифовка, шлифовка поверхности зубьев, шлифовка поверхности V-образных направляющих.
Зубчатая рейка Yuchen DIN6 с V-образными направляющими — это превосходный выбор для промышленных трансмиссий, где важны высокая эффективность и точность. Изготовленная с применением передовых производственных процессов и высококачественных материалов, эта зубчатая рейка обеспечивает отличную производительность и долговечность, отвечая строгим требованиям современного промышленного оборудования.
Передовые технологии производства и контроль качества:
Зубчатая рейка изготовлена из высококачественной стали 42CrMo, что обеспечивает высокую прочность и ударную вязкость, исходя из материала. Процесс производства включает в себя прецизионное фрезерование и шлифовку зубьев, а также строгий многоэтапный контроль. Уникальная конструкция зубьев V-образной направляющей с винтовыми зубьями в сочетании с высокоточной шлифовкой как поверхностей зубьев, так и дорожек направляющих V-образных направляющих гарантирует исключительную плоскостность и чистоту поверхности. Это обеспечивает снижение трения и более плавное и стабильное линейное движение во время работы.
Высокоточные направляющие для точного позиционирования:
Отличительная конструкция V-образной направляющей этой зубчатой рейки эффективно ограничивает степени свободы подвижных компонентов, обеспечивая стабильное направление и позиционирование на протяжении всего линейного движения. Это делает ее особенно подходящей для применений, требующих строгого контроля положения, таких как станки с ЧПУ и автоматизированные производственные линии. Зубчатая рейка Yuchen с V-образными направляющими обеспечивает надежное направление, позволяя оборудованию достигать жестких допусков размеров и высокого качества поверхности готовых деталей.
Высокая грузоподъемность для тяжелых условий эксплуатации:
Благодаря высокопрочной стали 42CrMo и оптимизированной термообработке зубчатая рейка обладает высокой несущей способностью, способной выдерживать значительные осевые, радиальные нагрузки и крутящий момент. Она надежно работает в тяжелых промышленных условиях, где компоненты машин подвергаются значительным нагрузкам и ударам. Это обеспечивает непрерывную и стабильную работу крупногабаритного оборудования.
Простота установки и обслуживания:
Разработанная со стандартизированными монтажными характеристиками, зубчатая рейка Yuchen с V-образными направляющими легко интегрируется в различное оборудование без необходимости использования сложных инструментов или методов. Техническое обслуживание простое и включает в себя регулярный осмотр, очистку и своевременную замену изношенных компонентов, что помогает минимизировать время простоя и снизить общие эксплуатационные расходы.
Широкое промышленное применение:
Исключительные эксплуатационные характеристики этой зубчатой рейки делают ее универсальным решением для различных областей, включая промышленную автоматизацию, обрабатывающие центры с ЧПУ, робототехнику и логистические системы. Она обеспечивает точное перемещение роботизированных манипуляторов на автоматизированных производственных линиях, обеспечивает микронную точность перемещения инструментов с ЧПУ и играет важную роль в конвейерных и мобильных роботизированных системах, способствуя переходу к высокотехнологичному производству.
Выбирайте зубчатую рейку Yuchen DIN6 с V-образными направляющими, чтобы получить непревзойденное качество, надежную работу и всестороннюю техническую поддержку. Обладая профессиональным опытом и передовыми технологиями, компания Yuchen стремится предоставлять точные, стабильные и эффективные решения для передачи данных, сотрудничая с вами и формируя будущее промышленных инноваций.
+86-13306862930 / +86-18668881826
English
中文简体
русский
Español
















