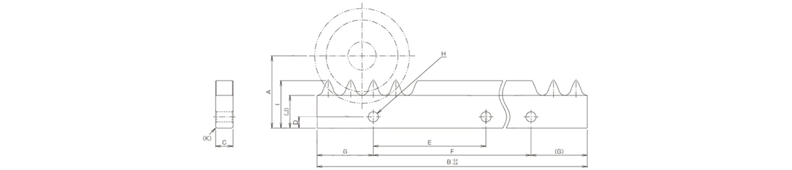
Роликовая рейка и шестерня с нулевым люфтом
Циклоидальная роликовая зубчатая рейка и малая шестерня с нулевым люфтом
В сфере промышленного управления движением даже малейшее отклонение может привести к дорогостоящим последствиям. Люфт, в частности, является серьезным препятствием для достижения точности. Реечная передача с циклоидальными роликами Zero Backlash, разработанная компанией Yuchen, меняет представление о точности систем движения. Разработанная для высокопроизводительных приложений, таких как автоматизированное оборудование и станки с ЧПУ, она устанавливает новый стандарт безлюфтовой линейной передачи.
Конструкция с нулевым люфтом для непревзойденной точности позиционирования
Эта система отличается уникальной конструкцией зацепления, при которой ролики постоянно контактируют с рейкой в 2–3 точках. Такая конфигурация исключает зазор между зубьями в обоих направлениях, обеспечивая абсолютный нулевой люфт. Благодаря точности позиционирования, достигающей ±20 микрон, система функционирует как прецизионная система наведения. Это позволяет роботизированным манипуляторам захватывать и размещать компоненты с высокой повторяемостью и позволяет станкам с ЧПУ выполнять обработку с микрометрической точностью, отвечая строгим требованиям прецизионного производства.
Высокоскоростное и стабильное движение для повышения производительности
Механизм качения значительно снижает трение, обеспечивая линейную скорость более 180 метров в минуту. Результатом является сверхплавная работа с меньшим шумом и вибрацией. На автоматизированных производственных линиях это приводит к ускорению обработки материалов и повышению производительности. В системах лазерной резки режущая головка движется быстро, сохраняя острые и чистые кромки, что способствует повышению качества продукции.
Низкий износ и низкое образование частиц для чувствительных сред
Плавный контакт качения между шестерней и рейкой обеспечивает работу подвижных частей с низкой скоростью и малым диаметром, что снижает износ и пылеобразование. Это делает систему идеальной для сред, требующих высокой чистоты, таких как производство полупроводников и электроники. Она эффективно предотвращает загрязнение чувствительных компонентов частицами. Кроме того, прочная конструкция обеспечивает стабильную работу даже в суровых промышленных условиях.
Простая установка и низкие эксплуатационные расходы
Цилиндрическая роликовая реечная передача Yuchen Zero Backlash разработана с учетом удобства пользователя. Простота установки сокращает трудозатраты и время настройки, а высокая износостойкость и стабильная работа минимизируют потребность в техническом обслуживании и снижают общую стоимость владения. Это сокращает время простоя и повышает спокойствие операторов.
Сочетая в себе отсутствие люфта, высокую точность, плавную работу на высокой скорости, низкий износ, меньшее пылеобразование и простоту установки, реечная передача с циклоидальными роликами Yuchen Zero Backlash — это надежное и эффективное решение для передачи мощности. Выбирая Yuchen, вы выбираете более точную, эффективную и долговечную систему передачи мощности, что позволяет вашему бизнесу выделяться в конкурентной промышленной среде.
+86-13306862930 / +86-18668881826
English
中文简体
русский
Español




















