Шлифованная шестерня
2M DIN6 Шлифованная косозубая шестерня с фланцем
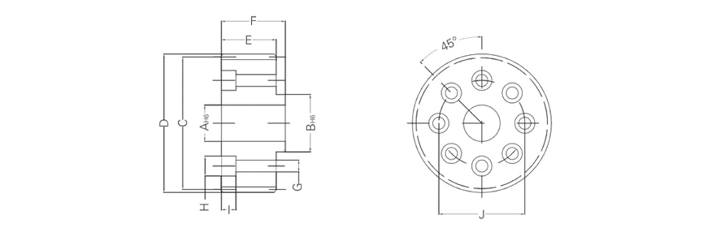
Технические характеристики
Класс точности: DIN 6
Материал: 20CrMnTi
Тип: Винтовая стойка
Угол левой руки: 19°31'42"
Обработка твердостью: общая цементация, HRC55–60
Производственный процесс: Зубошлифование
В промышленном секторе шестерни служат важнейшими компонентами систем трансмиссии, где их производительность напрямую влияет на эффективность оборудования и стабильность работы. Заземленная косозубая фланцевая шестерня Yuzhen 2M выделяется среди аналогичных продуктов своим исключительным качеством и изысканным мастерством, что делает ее идеальным выбором для промышленных трансмиссий.
1. Выбор высококачественных материалов закладывает основу качества
Заземленная косозубая фланцевая шестерня Юйчжэнь 2М изготовлена из высококачественной легированной стали 20CrMnTi. Этот материал обладает хорошими комплексными механическими свойствами, которые после термической обработки значительно повышают твердость и износостойкость. Он обеспечивает хорошую прочность и ударную вязкость, особенно подходит для условий больших нагрузок и ударов. Bлагодаря выбору этого материала на месте изготовления редуктор обеспечивает исключительную долговечность и надежность, сохраняя стабильную работу в течение длительного времени даже в суровых условиях эксплуатации, тем самым снижая частоту технического обслуживания и затраты на замену.
2. Процесс шлифования обеспечивает высокую точность и качество
Высокая точность является основным преимуществом винтовой фланцевой шестерни Yuzhen 2M. В процессе производства применяются передовые методы шлифования для точной обработки поверхностей зубьев шестерен. Шлифованные зубья достигают низкой шероховатости поверхности и точности, достигающей класса DIN6 или выше. Такая точность обеспечивает более плотное и плавное зацепление зубьев во время работы, существенно снижая шум и вибрацию в процессе передачи. Он также повышает эффективность трансмиссии и гарантирует точное управление движением, отвечая строгим требованиям точности таких приложений, как станки с ЧПУ и прецизионное оборудование автоматизации.
3. Уникальный дизайн, отвечающий разнообразным требованиям
Конструкция фланца: Отличительная конструкция фланца обеспечивает более простую и надежную установку. Bлагодаря фланцевой пластине шестерню можно напрямую соединить с валом оборудования или другими компонентами, что сводит к минимуму необходимость в дополнительных монтажных принадлежностях и сложных этапах установки. Это не только повышает эффективность установки, но и усиливает надежность соединения, эффективно предотвращая отказы трансмиссии, вызванные ослаблением, и обеспечивая стабильную работу оборудования.
Модуль 2M: размер 2-модуля тщательно спроектирован и проверен на рынке, обеспечивая баланс между достаточным крутящим моментом трансмиссии и компактными размерами и весом шестерни. Этот размер модуля подходит для широкого спектра систем трансмиссии с различными требованиями к мощности и скорости, обеспечивая высокую универсальность. Он широко применяется в производственных линиях промышленной автоматизации, робототехнике, логистическом оборудовании и т. д.
4. Широкое применение поддерживает промышленную модернизацию
Bлагодаря своим выдающимся эксплуатационным характеристикам винтовая фланцевая передача Yuzhen 2M поддерживает точное позиционирование и эффективный захват в промышленных роботизированных манипуляторах; гарантирует точное управление траекторией инструмента в станках с ЧПУ для высокоточной обработки деталей; обеспечивает стабильную мощность для гибкого движения в роботизированных системах передачи соединений; а также обеспечивает плавную и эффективную обработку материалов в логистических конвейерных и сортировочных системах.
Выбор винтовой фланцевой передачи Yuzhen 2M означает выбор высококачественного, высокоточного и высоконадежного решения для трансмиссии. Bлагодаря профессиональному подходу и передовым технологиям компания Yuzhen предлагает надежную поддержку трансмиссии для вашего промышленного оборудования, работая сообща над созданием блестящего будущего в промышленной сфере.
+86-13306862930 / +86-18668881826
English
中文简体
русский
Español













