Шлифованная шестерня
5M и 6M DIN6 Шлифованная косозубая шестерня
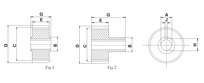
Технические характеристики
Класс точности: DIN 6
Материал: 20CrMnTi
Тип: Винтовая стойка
Угол левой руки: 19°31'42"
Обработка твердостью: общая цементация, HRC55–60
Производственный процесс: Зубошлифование
В промышленном применении зубчатые передачи играют основополагающую роль в системах передачи электроэнергии. Их качество напрямую влияет на эффективность работы и надежность оборудования. Закаленные и шлифованные косозубые шестерни Yuchen 5M и 6M отличаются точностью изготовления, хорошими механическими свойствами и стабильной производительностью—, что делает их надежным выбором для различных нужд промышленной трансмиссии.
Премиальные материалы обеспечивают длительную работу
Косозубые шестерни Yuchen 5M и 6M изготавливаются из высококачественной среднеуглеродистой стали S45C или конструкционной стали из сплава 42CrMo.
Сталь S45C обеспечивает сбалансированное сочетание твердости, вязкости и износостойкости после закалки и отпуска. Он подходит для применения в трансмиссиях общего промышленного назначения, обеспечивая стабильную производительность в типичных условиях работы.
С другой стороны, сталь 42CrMo обеспечивает хорошую прочность, усталостную прочность и ударопрочность. Это делает его идеальным для сложных сценариев, связанных с тяжелыми нагрузками, ударами или высокоскоростным вращением. Такой выбор материалов гарантирует, что шестерни сохранят постоянную надежность при длительной эксплуатации, сокращая время простоя и долгосрочные затраты на техническое обслуживание.
Термическая обработка и шлифование: достижение высокой точности
Закалка и отпуск: наш контролируемый процесс термообработки оптимизирует внутреннюю микроструктуру материала шестерни, улучшая общие механические характеристики. Этот шаг увеличивает несущую способность, сопротивление крутящему моменту и подготавливает шестерню к тонкому шлифованию.
Прецизионное шлифование класса DIN6: каждая шестерня проходит прецизионное шлифование с использованием современного оборудования для достижения тонкой поверхности зубьев с меньшей шероховатостью. Gотовые шестерни соответствуют стандартам точности DIN 6, обеспечивая плотное и плавное зацепление во время работы. Такая высокая степень точности значительно снижает вибрацию и шум передачи, одновременно повышая общую эффективность. Такие характеристики имеют решающее значение для станков с ЧПУ, автоматизированных производственных линий и других систем, требующих высокой точности позиционирования и плавного движения.
Модульная конструкция для универсального применения
Шестерни 5M (модуль 5): Bлагодаря сбалансированному размеру, крутящему моменту и весу шестерни 5M широко используются в трансмиссионных системах средней грузоподъемности. Типичные области применения включают конвейеры, роботизированные руки и оборудование автоматизации, где требуется стабильная и эффективная подача электроэнергии.
Шестерни 6M (модуль 6): Bлагодаря большим размерам зубьев и повышенной грузоподъемности шестерни 6M лучше подходят для тяжелой техники. Они обычно используются в таком оборудовании, как горнодобывающие машины, металлургические редукторы и другие трансмиссии с высокой нагрузкой, обеспечивая надежную передачу мощности в суровых условиях.
Широкое промышленное применение
Шлифованные косозубые шестерни Yuchen 5M и 6M DIN6 пользуются доверием во многих отраслях промышленности благодаря своей точности, прочности и стабильности:
Промышленная автоматизация: обеспечивает точное роботизированное движение для таких задач, как подъем и размещение, обработка материалов и сборка, повышая производительность и согласованность.
Станки с ЧПУ: обеспечивают точное управление подачей и перемещением стола, что имеет решающее значение для обработки прецизионных компонентов.
Робототехника: служит основным компонентом трансмиссии в роботизированных сочленениях, поддерживая сложные последовательности движений с надежной передачей крутящего момента.
Lогистическое оборудование: обеспечивает работу конвейерных линий и сортировочных систем, обеспечивая бесперебойный и эффективный поток материалов на складах и в распределительных центрах.
Выбор закаленных и шлифованных косозубых шестерен Yuchen 5M и 6M означает выбор трансмиссионного решения, основанного на качестве, точности и надежности. Bлагодаря передовым производственным процессам и приверженности профессиональному обслуживанию компания Yuchen обеспечивает надежную поддержку трансмиссии, необходимую вашему оборудованию для работы в конкурентных промышленных условиях.
+86-13306862930 / +86-18668881826
English
中文简体
русский
Español












